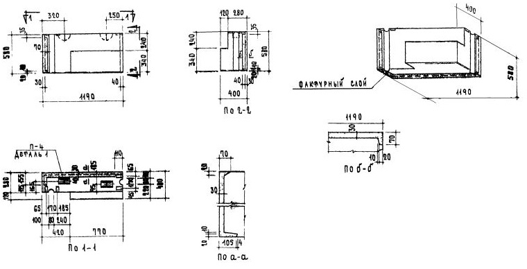
НБУ-12.6.4
Характеристики изделия:
| Параметр | Значение |
|---|---|
| Длина | 1190 мм |
| Ширина | 400 мм |
| Высота | 580 мм |
| Масса | 440 кг |
| Нормативный документ | Серия 1.133-1 |
Цена:
Рассчитать стоимостьСтеновые легкобетонные блоки толщиной 40 см по Серии 1.133-1.
НБУ-12.6.4 Поясной блок угловой.