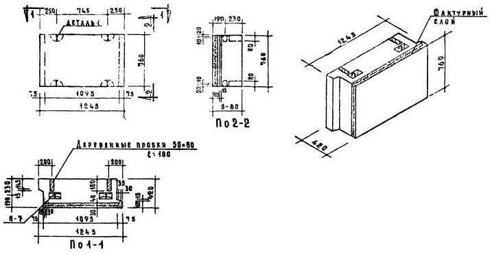
НБД-12.8.4

Чертеж изделия:
Чертеж НБД-12.8.4
Характеристики изделия:
ПараметрЗначение
Длина1245 мм
Ширина420 мм
Высота760 мм
Масса710 кг
Нормативный документСерия 1.133-1

Стеновые легкобетонные блоки толщиной 50 см по Серии 1.133-1.

НБД-12.8.4  Подоконный блок.