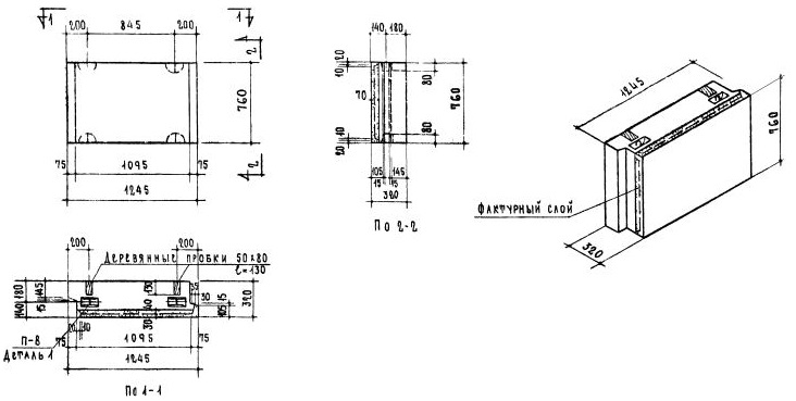
НБД-12.8.3

Чертеж изделия:
Чертеж НБД-12.8.3
Характеристики изделия:
ПараметрЗначение
Длина1245 мм
Ширина320 мм
Высота760 мм
Масса545 кг
Нормативный документСерия 1.133-1

Стеновые легкобетонные блоки толщиной 40 см по Серии 1.133-1.

НБД-12.8.3  Подоконный блок.