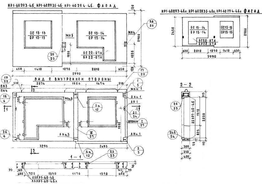
НР1-60.29.3-4б
Характеристики изделия:
| Параметр | Значение |
|---|---|
| Длина | 5990 мм |
| Ширина | 300 мм |
| Высота | 2900 мм |
| Масса | 4730 кг |
| Нормативный документ | Серия 1.132-1 |
Цена:
Рассчитать стоимостьНР1-60.29.3-4б Наружная стеновая панель рядовая по Серии 1.132-1.
| Параметр | Значение |
|---|---|
| Длина | 5990 мм |
| Ширина | 300 мм |
| Высота | 2900 мм |
| Масса | 4730 кг |
| Нормативный документ | Серия 1.132-1 |
НР1-60.29.3-4б Наружная стеновая панель рядовая по Серии 1.132-1.