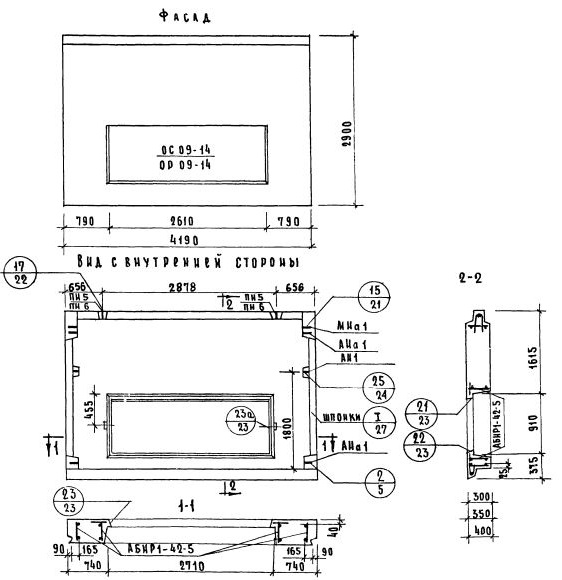
НР1-42.29.4-б-1

Чертеж изделия:
Чертеж НР1-42.29.4-б-1
Характеристики изделия:
ПараметрЗначение
Длина4190 мм
Ширина400 мм
Высота2900 мм
Масса5268 кг
Нормативный документСерия 1.132-1

НР1-42.29.4-б-1   Наружная стеновая панель рядовая по Серии 1.132-1.